| 型号 | ER130-2865-BD |
|---|---|
| 轴数 | 6 |
| 最大负载 | 130kg |
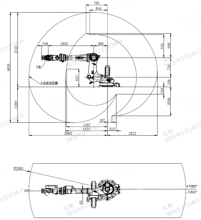
| 最大臂展 | 2865mm |
| 重复定位精度 | ±0.04mm |
| 本体重量 | 950kg |
| 防护品级 | IP54 |
| 装置形式 | 地面 |
| 驱动方式 | AC伺服电机驱动 |
| 装置条件 | 温度:::0至45℃ 湿度:::20至80%RH 允许高度:::海拔1000m以下 振动加速率:::4.9m/s?(0.5G)以下 不应有侵蚀性气体 |
| 支持认证 | CE |
| 备注 | 详情请查阅说明书或向我公司咨询。!!! |
| 枢纽 | 运动规模 | 最大速率 | 允许负载转动惯量/扭矩 |
|---|---|---|---|
| J1 | -180°~+180° | 112°/s | - |
| J2 | -70°~+90° | 106°/s | - |
| J3 | -200°~+68° | 106°/s | - |
| J4 | -200°~+200° | 204°/s | 111.1 kg·m?/688 N·m |
| J5 | -125°~+125° | 198°/s | 111.1 kg·m?/688 N·m |
| J6 | -360°~+360° | 212°/s | 89.4 kg·m?/127.4 N·m |
| 装置参数 | 参数值 |
|---|---|
| 形状尺寸 | 720550850 (mm,,长宽高) |
| 控制柜重量 | 160kg |
| 额定功率 | 7kw |
| 参考能耗 | 2.61 kW·h |
| 装置情形 | 透风,,非密闭 |
| 最小装置规模 | 250025001200 (mm,,长宽高) |
| 事情情形 | 温度:::0°~45℃ 湿度:::20%~80%RH |
| 通讯方式 | 标配:::EtherCAT,,Modbus TCP,,TCP/IP;;选配:::Profinet,,Profibus,,CCLINK,,EtherNet IP |
| 互联电缆长度(以厂家营业现实确以为准) | 标配:::7米;;选配:::8米,,15米,,20米,,10米(柔性),,15米(柔性),,20米(柔性) |
| 至机械人底座电缆预留空间 | 非柔性电缆:::≥800mmm;;柔性电缆:::≥300mmm |
| 动力线缆折弯半径 | 非柔性:::≥400mm;;柔性:::≥200mm |
| 编码器线缆折弯半径 | 非柔性:::≥690mm;;柔性:::≥200mm |
| IO线缆折弯半径 | 非柔性:::≥260mm;;柔性:::≥130mm |
| 至机械人底座重载毗连器插头巨细 | 1204575.5 (mm,,长宽高) |
| 规格参数 | 参数值 |
|---|---|
| 电柜主电源 | 三相 AC 380V-400V,,50/60Hz |
| 控制轴数 | 4~6 |
| 贮存情形 | 温度:::-25°C~55°C;;湿度:::95%RH 以下(无凝露,,无冻结) |
| 绝缘电阻 | 100MΩ 以上 |
| 抗振动强度 | 4.9m/s? |
| 抗攻击强度 | 19.6m/s? |
| 海拔 | 1000 米以下 |
| EMC测试标准 | IEC 61800-3:2017 |
| 防护品级 | IP54 |
| 接口类型 | 参数值 |
|---|---|
| RJ45接口 | 毗连视觉模??榈耐ㄑ督涌 |
| 编码器电缆 | 机械人各轴的电机编码器电缆接口,,用于收罗机械人位置信号,,使用专用电缆毗连至机械人本体。!!! |
| 示教器电缆接口 | 机械人示教器的电缆接口。!!! |
| IO电缆接口 | 未界说的输入输出信号接口(24-pin) |
| 参数项 | 参数值 |
|---|---|
| 液晶屏 | TFT 7 Inch 800*480 |
| 外接USB | 2.0*1 |
| 指示灯 | 指示灯:::3个 |
| 通讯 | 以太网(100M) |
| 配件 | 急停;;钥匙开关;;使能开关(三位) |
| 操作情形 | 操作温度:::0°C~45°C |
| 存储温度 | -20°C~70°C |
| 示教器线缆长度 (以厂家营业现实确以为准) | 标配:::8米;;选配:::15米,,20米 |
| 防护品级 | IP54 |
| 重量 | 1090±10g(不含线缆) |