| 参数 | 参数值 |
|---|---|
| 型号 | ER35B-1810 |
| 轴数 | 6 |
| 最大负载 | 35kg |
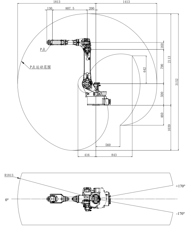
| 最大臂展 | 1813mm |
| 重复定位精度 | ±0.04mm |
| 本体重量 | 277kg |
| 防护品级 | 手腕IP65、主体IP54 |
| 装置形式 | 地面/顶面 |
| 驱动方式 | AC伺服电机驱动 |
| 装置条件 | 温度::0至45℃;湿度::20至80%RH;允许高度::海拔1000m以下;振动加速率::4.9m/s?(0.6G)以下;不应有侵蚀性气体 |
| 支持认证 | CE |
*详情请查阅说明书或向我公司咨询。。。
| 枢纽 | 运动规模 | 最大速率 | 允许负载转动惯量/扭矩 |
|---|---|---|---|
| J1 | -170°~+170° | 206°/s | - |
| J2 | -100°~+155° | 206°/s | - |
| J3 | -160°~+86° | 238°/s | - |
| J4 | -200°~+200° | 480°/s | 4.03 kg·m?/110.9 N·m |
| J5 | -130°~+130° | 330°/s | 4.03 kg·m?/110.9 N·m |
| J6 | -360°~+360° | 407°/s | 1.51 kg·m?/62.0 N·m |
| 装置参数 | 参数值 |
|---|---|
| 形状尺寸 | 620*550*750(mm,长*宽*高) |
| 控制柜重量 | 130 kg |
| 额定功率 | 3 kW |
| 参考能耗 | 1.34 kW·h |
| 装置情形 | 透风,非密闭 |
| 最小装置规模 | 1000*1600*1200 (mm,长*宽*高) |
| 事情情形 | 温度::0°C~45°C;湿度::20%~80%RH |
| 通讯方式 | 标配::EtherCAT,Modbus TCP,TCP/IP,EtherNet IP;选配(需另购??椋::EC从站转PN主站(HS),EC从站转EC从站(SD),EC从站转PN从站(ET),EC转CC-LINK从站(HS),Modbus转DeviceNET从站(HS),EC转Profibus从站(HS) |
| 互联电缆长度(以厂家营业现实确以为准) | 标配::8米;选配::3米,10米(柔性),15米,15米(柔性),20米,20米(柔性),25米(柔性),30米(柔性) |
| 至机械人底座电缆预留空间 | 非柔性电缆::≥800mm;柔性电缆::≥300mm |
| 动力线缆折弯半径 | 非柔性::≥690mm;柔性::≥200mm |
| 编码器线缆折弯半径 | 非柔性::≥400mm;柔性::≥200mm |
| IO线缆折弯半径 | 非柔性::≥260mm;柔性::≥130mm |
| 至机械人底座重载毗连器插头巨细 | 120*45*75.5 (mm,长*宽*高) |
| 规格参数 | 参数值 |
|---|---|
| 电柜主电源 | 三相 AC 380V,-15% ~ +10%,50/60Hz |
| 控制轴数 | 4 ~ 6 |
| 贮存情形 | 温度::-25°C ~ 55°C;湿度::95%RH 以下(无凝露,无冻结) |
| 绝缘电阻 | 100MΩ 以上 |
| 抗振动强度 | 4.9m/s? |
| 抗攻击强度 | 19.6m/s? |
| 海拔 | 1000 米以下 |
| EMC测试标准 | IEC 61800-3:2017 |
| 防护品级 | IP54 |
| 接口参数 | 参数值 |
|---|---|
| 示教器接口 | 示教器与控制柜的毗毗邻口,用于毗连示教器与控制柜。。。 |
| 主电源线缆接口 | 控制柜的电源进线口,电源线需要以后接口穿入到控制柜内部举行接线。。。 |
| 接地柱 | 用于接地,与本体底座相毗连。。。 |
| IO线缆接口 | 控制柜内的IO线缆已经以后处由控制柜内穿出。。。 |
| 6轴编码器线缆接口 | 机械人的编码器线以后处由控制柜内穿出,控制柜内的编码器线已经接好,只需要在机械人端举行毗连。。。 |
| IO线缆预留接口 | 预留的IO线缆接口,可用于增添的IO线缆或者SAFETY IO线缆以后接口穿出。。。 |
| 运维精灵天线预留接口 | 预留的运维精灵天线预留接口,用于将选配的运维精灵天线从柜内穿出。。。 |
| 预留接口 | 预留的出线口位置,已使用金属板封住,用户凭证使用需求可以自行更改金属封板举行出线,可是需要包管IP品级。。。 |
| 6轴动力线线缆接口 | 机械人的动力线以后处由控制柜内穿出,控制柜内的动力线已经接好,只需要在机械人端举行毗连。。。 |
| 参数种别 | 详细内容 |
|---|---|
| 液晶屏 | TFT 7 Inch 800*480 |
| 外接USB | 2.0*1 |
| 指示灯 | 3个 |
| 通讯 | 以太网::1路 10/100Mbps 自顺应 |
| 配件 | 急停;钥匙开关;使能开关(三位) |
| 操作情形 | 操作温度::0°C~45°C |
| 存储温度 | -20°C~70°C |
| 示教器线缆长度(以厂家营业现实确以为准) | 标配::8米;选配::15米,20米,25米,30米 |
| 防护品级 | IP54 |
| 重量 | 1090±10g(不含线缆) |