| 参数 | 参数值 |
|---|---|
| 型号 | ER70B - 2100 |
| 轴数 | 6 |
| 最大负载 | 70kg |
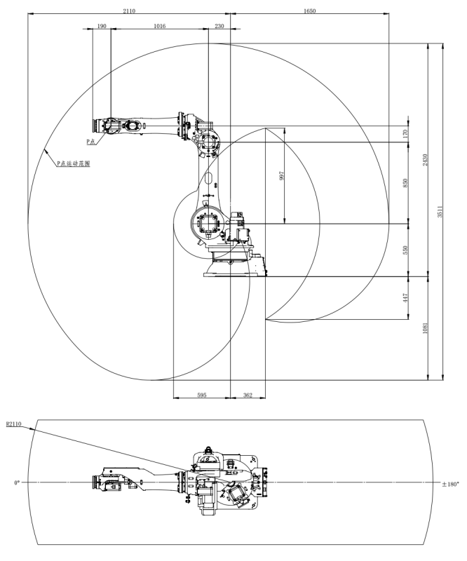
| 最大臂展 | 2110mm |
| 重复定位精度 | ±0.05mm |
| 本体重量 | 522kg |
| 防护品级 | 手腕IP65、主体IP54 |
| 装置形式 | 地面/顶面 |
| 驱动方式 | AC伺服电机驱动 |
| 装置条件 | 温度::0至45℃;湿度::10至80%RH;允许高度::海拔1000m以下;振动加速率::4.9m/s?(0.9G)以下;不应有侵蚀性气体 |
| 支持认证 | CE |
| 备注 | 详情请查阅说明书或向我公司咨询 |
| 枢纽 | 运动规模 | 最大速率 | 允许负载转动惯量/扭矩 |
|---|---|---|---|
| J1 | -180°~+180° | 172°/s | - |
| J2 | -90°~+135° | 134°/s | - |
| J3 | -185°~+80° | 186°/s | - |
| J4 | -200°~+200° | 245°/s | 30 kg·m?/308 N·m |
| J5 | -130°~+130° | 245°/s | 30 kg·m?/308 N·m |
| J6 | -360°~+360° | 355°/s | 12 kg·m?/150 N·m |
| 装置参数 | 参数值 |
|---|---|
| 形状尺寸 | 650*455*750(mm,长*宽*高) |
| 控制柜重量 | 80 kg |
| 额定功率 | 4.5 kW |
| 参考能耗 | 2.53 kW·h |
| 装置情形 | 透风,非密闭 |
| 最小装置规模 | 1100*1500*1200(mm,长*宽*高) |
| 事情情形温度 | 0°C~45°C |
| 通讯方式 | 标配::EtherCAT,Modbus TCP,TCP/IP,EtherNet IP;选配(需另购模??椋::EC从站转PN主站(HS),EC转CC - LINK从站(HS),Modbus转DeviceNET从站(HS),EC转Profibus从站(HS) |
| 互联电缆长度(以厂家营业现实确以为准) | 标配::8米;选配::15米,20米,10米(柔性),15米(柔性),20米(柔性),25米(柔性),30米(柔性) |
| 至机械人底座电缆预留空间 | 非柔性电缆::≥200mm;柔性电缆::≥340mm |
| 动力线缆折弯半径 | 非柔性::≥400mm;柔性::≥200mm |
| 编码器线缆折弯半径 | 非柔性::≥400mm;柔性::≥200mm |
| IO线缆折弯半径 | 非柔性::≥400mm;柔性::≥200mm |
| 至机械人底座重载毗连器插头巨细 | 120*76*57(mm,长*宽*高) |
| 规格参数 | 参数值 |
|---|---|
| 电柜主电源 | 三相 AC 380V - 440V,50/60Hz |
| 控制轴数 | 3 ~ 6 |
| 贮存情形 | 温度::-20°C~60°C;湿度::95%RH 以下(无凝露,无冻结) |
| 绝缘电阻 | 100MΩ 以上 |
| 抗振动强度 | 知足 GB/T39266-2020-5.2 以及 IEC60068-2-6 的标准 |
| 抗攻击强度 | 知足 GB/T39266-2020-5.3 以及 IEC60068-2-27 标准 |
| 海拔 | 1000 米以下 |
| EMC测试标准 | IEC 61000-6-2:2019 |
| 防护品级 | IP54 |
| 接口名称 | 参数值 |
|---|---|
| 示教器接口 | 示教器与控制柜的毗毗邻口,用于毗连示教器与控制柜。。 |
| IO线缆接口 | 线缆直出形式::IO线缆以后处由控制柜内穿出,控制柜内的IO线缆已接好,只需在机械人端毗连;航插形式(选配)::IO线缆在控制柜内接至航插处,用户需将IO互联线缆牢靠在航插处,然后在机械人端毗连。。 |
| IO线缆预留接口 | 预留的IO线缆接口,金属夹板默认在此处,可用于增添的IO线缆或SAFETY IO线缆以后接口穿出。。为包管控制柜防护品级,建议夹板处线径≤10mm,两根线的间距大于2倍线径。。 |
| RJ45接口 | 用于外部通讯网线与控制柜毗连,控制柜内部已毗连到控制器。。 |
| IO线缆预留封板 | 预留的IO线缆封板,便于用户从控制柜右侧出线,可用于增添的IO线缆或SAFETY IO线缆以后接口穿出。。使用时需拆除控制柜背部的IO线缆预留接口处的金属夹板并移到此处使用。。 |
| 主电源线缆进线口 | 控制柜的电源进线口,电源线需以后接口穿入到控制柜内部举行接线。。 |
| 编码器线缆接口 | 线缆直出形式::编码器线缆以后处由控制柜内穿出,控制柜内的编码器线缆已接好,只需在机械人端毗连;航插形式(选配)::编码器线缆在控制柜内接至航插处,用户需将编码器互联线缆牢靠在航插处,然后在机械人端毗连。。 |
| 动力线缆接口 | 线缆直出形式::动力线缆以后处由控制柜内穿出,控制柜内的动力线缆已接好,只需在机械人端毗连;航插形式(选配)::动力线缆在控制柜内接至航插处,用户需将动力线互联线缆牢靠在航插处,然后在机械人端毗连。。 |
| 进风口 | 控制柜内风扇的进风口,用于控制柜散热。。 |
| 出风口 | 控制柜的出风口,用于控制柜散热。。 |
| 参数 | 参数值 |
|---|---|
| 液晶屏 | TFT 7 Inch 800*480 |
| 外接USB | 2.0*1 |
| 指示灯 | 3个 |
| 通讯 | 以太网::1路 10/100Mbps 自顺应 |
| 配件 | 急停;钥匙开关(三档);使能开关(三位) |
| 操作情形 | 操作温度::-10°C~50°C |
| 存储温度 | -20°C~60°C |
| 示教器线缆长度(以厂家营业现实确以为准) | 标配::8米;选配::15米,20米,25米,30米 |
| 防护品级 | IP54 |
| 重量 | 1090±10g(不含线缆) |